hu
: Főoldal : : Fórumok : : Feliratkozás a levlistára :
2026. február 11. szerda 
Bertold, Marietta

:: Egy kép ::

:: Címlista belépés ::
email:
pass: 

:: Szavazás ::
Milyen hatással van rád a benzináresés?

Imádkozom, hogy tavaszig kitartson (61)

Már a kád is csurig benzinnel (10)

Eladtam az összes MOL részvényemet (2)

Hosszabb nyári túrákat szervezek (4)

Ez hülyeség, most is 5ezerért tankoltam, mint máskor (33)

Ez egy ilyen év, folyton esik (3)

Ideje kivenni a fojtást! (17)


:: Ajánlott böngésző ::

- Tuning, fejlesztés -
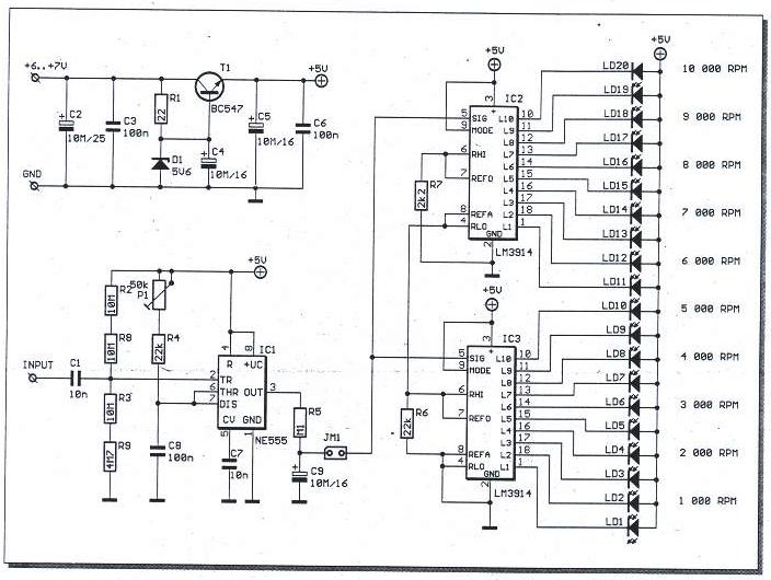
Ledes fordulatszámmérõ
(Praktická elektronika C - 6/98 - 2002-10-24)

Egy ledes fordulatszámmérõ áramköri, kapcsolási és beültetési rajza. Alapvetõen 6V-os motorhoz, de egy stabIC-vel könnyen átalakítható 12V-osra. Sajnos a szöveg cseh nyelvû, de szerintem annak megértése nélkül is megépíthetõ. Pénzes Péter kiegészítette szöveggel a nyers képeket.



Szoci motorokon többnyire spirállal meghajtott fordulatszámmérő található, ezeket a főtengely hajtja meg. A fordulatszámmérő házába könnyen beleépíthető elektonikus fordulatszámmérőt szeretném ismertetni, ez a jeladó/megszakító jelét méri. Kapcsolási rajz eredetileg Cseh újságból származik. Kétütemű motorokhoz való, négyüteműeknél hibás értéket jelezne ki, mert ugyanakkora fordulaton fele annyiszor zár a megszakító/jeladó.



A működése röviden: az áramkör egy időzítő (IC1) segítségével a beérkező jelet feszültséggé alakítja, ezt két ledsor meghajtó (IC2; IC3) jelzi ki, minnél nagyobb a feszültség annál több led világít. A JM1 jumpernek zárva kell lennie, el is lehet hagyni egy sima átkötéssel. Beállítását oszcillátor segítségével végezhetjük. Állandó frekvenciát adunk a bemenetre, és a P1 potencióméterrel állítjuk, addig amíg megfelelő számú led nem világít. Ez 50Hz-nél 3000fordulat/perc, tehát 6 lednek kell világítania. Egy led 500 fordulat/percet jelent, így 10000fordulatig jelez ki.






Tápellátásra 5V-ra van szükségünk, itt figyelembe kell venni a motorunk feszültségét. 6V-os motoroknál a kapcsolási rajz szerint ültessük be az alkatrészeket, 12V-os motoroknál T1 tranzisztor helyére: BD139, az R1 ellenállás helyére pedig: 220 ohmos ellenállást tegyünk.
A tápellátást lehet bíztosítani integrált feszültségstabilizátorral is (pl.: 7805), de ahhoz más NyÁKrajz tartozik, ezért ezt nem közlöm :)
Sok sikert hozzá!

Pénzes Péter
:: Fórumok ::
Motoros túra (17997)
MZ (49077)
Jawa (27120)
Motorszervíz (2867)
Simson (3406)
Izs (611)
police (1763)
Pannónia (6541)
Dnepr (125)
Ural (61)
Átépítés (910)
Csepel (1960)
Junak (318)

:: Keresés ::




www.motoros.hu